Новости, обзоры и акции
Стапель напольный без платформы NORDBERG BAS14E без коробки
ФУНКЦИОНАЛ
Многокомпонентная конструкция стапеля обеспечивает возможность не просто силой воздействовать на металл кузова, но и точно дозировать усилия, распределять нагрузку, прочно удерживать металл, изменять текущие параметры.
ПРЕИМУЩЕСТВА
- Максимальное усилие тяги стапеля для правки кузовных элементов составляет 10 тонн
- Сверхпрочная конструкция позволяет производить кузовные работы быстро и качественно
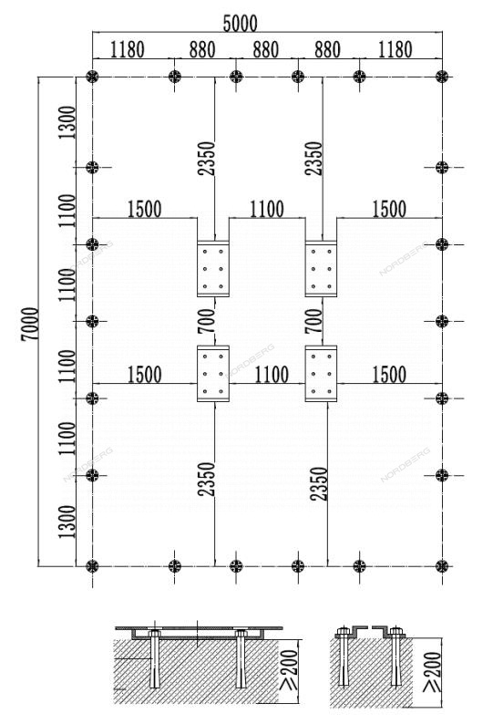
- Стапель не требует подъема автомобиля и установки на платформу
- Позволяет осуществлять различные виды ремонтных работ таких деталей как: лонжероны, дверные стойки, различные части кузова
- Совместимость с различными моделями автомобилей, крепление автомобиля возможно как с отбортовкой порогов, так и без них
- Обеспечивает предельно точное распределение усилия
- Передвижной перфорированный стенд с большим набором аксессуаров
УДОБСТВО ИСПОЛЬЗОВАНИЯ
- Конструкция позволяет быстро и удобно установить автомобиль благодаря системе зажимов
- Благодаря компактным размерам позволяет работать в условиях ограниченного пространства
Стационарный стапель NORDBERG BAS14E позволит максимально эффективно восстановить геометрию поврежденного кузова автомобиля в специализированных автомастерских.
Подробную информацию об эксплуатации и характеристиках напольного стапеля NORDBERG BAS14E вы можете получить у наших инженеров и технических специалистов, отправив запрос по почте auto@master-instrument.ru
По вопросам дилерского сотрудничества пишите на почту info@nordberg.ru
КОМПЛЕКТАЦИЯ
№
Наименование
Количество
1 Комплект из 4-х зажимов для крепления автомобиля за отбортовку кузова 1 комплект 2 Напольные крепежные пластины 4 шт. 3Силовая башня с гидроцилиндром 1 шт. 4
Опорная стойка
1 шт. 5
Напольные крепежи с болтами
22 шт. В комплекте передвижной перфорированный стенд с аксессуарами 1 Стенд для хранения акссессуаров для стапеля передвижной перфорированный BAS-TB
1 шт. 2 Захват кузовной мини
1 шт. 3 Захват кузовной однонаправленный, рабочее усилие 5 т BAS-С1 1 шт. 4 Захват кузовной однонаправленный, рабочее усилие 5 т BAS-С3 1 шт. 5 Захват кузовной усиленный однонаправленный, рабочее усилие 5 т BAS-С4 1 шт. 6 Захват кузовной двунаправленный, рабочее усилие 5т/3т (осевое/поперечное) BAS-С5 1 шт. 7 Зажим ножничный 1 комплект 8 Фиксатор для цепей, рабочее усилие 6 т BAS-CN1 1 шт. 9 Трос обхватывающий нейлоновый BAS-NROPE 1 шт. 10 Трос обхватывающий металлический BAS-MROPE 1 шт. 11 Трос страховочный (комплект 2 шт.) BAS-SROPE 1 шт. 12 Ключ радиусный для регулировки высоты опорных стоек зажимов BAS-RWRENCH 1 шт. 13 Пластина для вытяжки с отверстиями BAS-PP 1 шт. 14 Цепь с крюком (комплект 2 шт.) 1 комплект 15 Крюк вытяжной со сменными упорами, рабочее усилие 4 т BAS-H1 1 шт. 16 Крюк вытяжной J-тип, рабочее усилие 6 т BAS-H2 1 шт. 17 Разветвитель для цепей, рабочее усилие 3 т BAS-CN2 1 шт. 18 Захват кузовной для вытяжки "чашек" передних стоек, 3 т BAS-C8 1 шт. 19 Захват цепи двухсторонний, рабочее усилие 2т BAS-CN3 1 шт. 20 Соединитель цепи с крюками 1 шт. 21 Насос пневмогидравлический, 1600 мл 1 шт. 22 Крючки для вывешивания аксессуаров 24 шт.
Доставка cтапелей до транспортной компании платная.
